科研實驗室電池測試系統
精致四量程款BT-2018A

應 用 領 域
大專院校、科研院所對扣式電池、小容量電池、模擬電池、電池材料、超級電容器等相關電化學方面的測試研究。
測 試 項 目
充放電曲線、充放電效率、電池容量、比容量、循環壽命、容量衰減曲線、DCIR內阻、超級電容的漏電電流等參數。
電 壓 量 程
充電電壓:0V-5V;放電電壓:-5V
電 流 量 程
四檔自動切換:最小電流可達到:0.5uA
量程一:1uA-0.1mA(±0.02% of FS);量程二:0.1mA-1mA(±0.02% of FS)
量程三:1mA-10mA(±0.02% of FS);量程四:10mA-100mA(±0.02% of FS)

產 品 介 紹
隨著科技的發展,廣大電池研究工作者對電池測試系統的需求越來越高,而市場上可選擇的品牌又極其有限,綜合性能也很難滿足于現在的測試要求。為此,藍博公司經過兩年苦心鉆研,精心打造出兩款新產品:BT-2018A(精致四量程款)和BT-2018AS(測試艙四量程款),以滿足科研級電池測試需求!

2018年初,這兩款產品就完成了研發測試工作, 產品從研發設計到實際應用,可以說公司不惜成本,投入了大量的時間和精力,做了大量的調研和實驗工作,最終創造出多項顛覆性創新成果。
多 項 先 進 技 術 應 用

湖北省計量測試技術研究院檢測報告

創 新 一 產品外觀首次運用專業工業設計水平的公司設計,前面板采用整塊鋁板雕刻成型,表面氧化噴沙工藝,機箱采用鍍鋅板表面噴塑工藝加工而成。外觀精美、高端大氣、渾若天成。

創 新 二 前面板左側首次運用了一塊3寸LCD定制顯示屏,主要顯示設備信息(箱號、電壓量程、電流量程、通信狀態、通道號等)亮度可調節,顯示內容與設備主控板同步。在給多臺不同量程設備裝載測試電池樣品時,提供了極大的方便。

創 新 三 輸出端口采用全金屬連接器,端口座采用燈圈設計,燈圈顏色為七彩色,可通過不同顏色反映當前該通道測試電池的工作狀態。如,充電為紅色、放電為綠色、靜置橙色、測試完成為白色保護停止為黃色等。

創 新 四 科研電池實驗,一般都是取很少的電池材料樣品做成扣式的形狀來測試,所以,對電池測試系統的精度要求就非常高。這款BT2018A主機CPU采用32位ARM系列芯片組,LCD顯示屏和燈圈組各用一個CPU;DA/AD數模控制芯片為16bit/24bit;采用美國專用基準集成芯片,溫度系數:5ppm/℃(最大值)。眾多高端芯片的運用,才能保證實際輸出精度:±0.01%FS;數據采樣頻率達到:3-10條/秒,最快可達到10條/秒;目前,在國內屬最高精度和最快采樣速度。
注:電池在充放電測試時,跟實測精度直接相關,而電腦上的顯示值精度再高也沒有意義。

以前,一個機柜只能放置10臺設備(80通道),因為實驗室場地緊張而限制了設備的增加;BT2018A(精致四量程款)的推出,就是解決這個問題。BT2018A的高度僅為7CM,每個機柜可放置20臺設備(160通道),機柜頂端和兩側可固定平板電腦,設備前面可固定扣式電池夾具托盤,整個機柜(包括電腦)占地面積僅為0.3平方米,大大節省了空間。



現場安裝中

恒溫箱一體機
強大的控制軟件及數據分析軟件
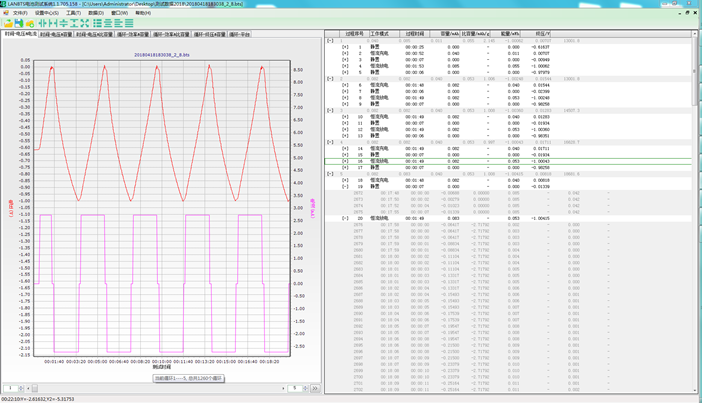
LANBTS電池測試系統控制軟件和數據分析軟件借鑒了國外同類產品的優點,結合國內用戶的使用習慣,我們做了全新的開發。軟件采用.NET架構,WIN10風格、平面化設計、運算速度更流暢,數據處理更強大,而且測試方案可編輯等特點。

LANBTS控制軟件界面

測試方案編輯界面

LANBTS軟件功能設置界面

LANBTS軟件數據分析界面
科研實驗室電池測試系統
三款產品技術參數
產品圖 |
| ![]() |
| |
型 號 | BT-2018R(經典四量程款) | BT-2018A(精致四量程款) | BT-2018AS(測試艙四量程款) | |
產品尺寸 | 長×寬×高 45cm×24cm×7cm | 長×寬×高 45cm×29cm×7cm | 長×寬×高 45cm×29cm×10cm | |
組合數量 | 20臺/機柜,配有夾具托盤 | 20臺/機柜,配有夾具托盤 | 10臺/機柜 | |
箱體結構 | 鍍鋅板材質,噴塑處理工藝 | 面板采用純鋁材質,表面噴沙處理工藝 | ||
指示燈 | 雙色LED指示 三種狀態顏色 | 七彩燈圈設計(充電為紅色、放電為綠色、靜置橙色、測試完成為白色、保護停止為黃色等)與控制軟件狀態信息顏色一致 | ||
基本參數 | 輸入電源 | 單相AC 220V ±10% / 50Hz;25W | ||
交流阻抗 | ≥10MΩ | |||
電 壓 | 電壓范圍 | 充電電壓:0V-5V;放電電壓:-5V | ||
電壓精度 | 實際控制精度:±0.02% of FS;穩定度:±0.02% of FS | |||
恒壓截止電流 | ≤5uA | |||
電 流 | 自動切換 | 量程一1uA-0.1mA(±0.02% of FS);量程二0.1mA-1mA(±0.02% of FS) 量程三1mA-10mA(±0.02% of FS);量程四10mA-100mA(±0.02% of FS) | ||
電流精度 | 實際控制精度:±0.02% of FS;穩定度:±0.02% of FS | |||
充/放電 | 充電模式 | 恒流充電 /恒壓充電 /倍率充電/ 恒功率充電/恒壓限流充電/脈沖充電 | ||
放電模式 | 恒流放電/恒壓放電/恒阻放電/倍率放電/恒功率放電/恒壓限流放電/脈沖放電 | |||
限制條件 | 電壓、電流、相對時間、容量、-△V、倍率電流,容量統計C1,時間統計T1,計數器N1,計數器N2 | |||
記 錄 | 記錄條件 | 時間變化△t:50ms---3600S 電壓變化△U:0.001mV---5V 電流變化△I:0.001mA—100mA | ||
記錄頻率 | 最高記錄頻率20Hz | |||
測試事件記錄 | 如:運行、停止、保護信息、參數重置、通道變更、在線校準等事件記錄 | |||
循 環 | 循環次數 | 1-99999次 | ||
循環嵌套 | 具有嵌套循環功能,最大支持3層嵌套 | |||
保 護 | 運行保護 | 支持停電保護、通訊間斷保護、電腦死機保護、系統死機保護 | ||
保護條件 | 延遲保護、過壓、欠壓、過流、過容、過溫、單體過壓、單體欠壓 | |||
報警方式 | 測試完成提醒、安全保護報警、異常錯誤報警、彈幕提示信息 | |||
硬件特性 | 通道特性 | 8通道/臺,可獨立編程,互不干擾 | ||
控制方式 | 恒流源與恒壓源采用雙閉環結構,高精度線性調整 | |||
輸入阻抗 | ≥10GΩ(靜置狀態下漏電流<0.1nA,停電狀態下電池與設備完全斷開) | |||
基準特性 | 采用美國專用基準集成芯片;溫度系數:5ppm/℃(最大值) | |||
AD/DA | AD:24bit;DA:16bit | |||
屏顯信息 | 3寸LCD(箱號、電壓量程、電流量程、通信狀態、通道號等)亮度可調節 | |||
通訊方式 | USB/RS485,采用光電隔離技術,最多接入256臺 | |||
散熱方式 | 風冷,風機轉速支持程控、溫控、全速三種模式可選 | |||
接入方式 | 四線制、支持三電極測量、扣式夾具、鱷魚夾具等(用戶可選) | |||
軟件特性 | 軟件風格 | C#平臺開發,WIN10風格,平面化設計,適應現在流行操作習慣 | ||
軟件語言 | 支持在線切換中/英文 | |||
測試方案特性 | 方案腳本獨立(可任意拷貝、創建、修改、刪除等)、循環控制,數據分析,數據庫集中管理,實時曲線、曲線比較等 | |||
工步編輯特性 | 根據運行模式智能判斷邏輯關系,提示錯誤操作,并自動填入主參數及截止條件參數,也可手動修改 | |||
模式操作特性 | 啟動、停止、續接啟動、強制跳轉、參數重置、變更通道等 | |||
DCIR測試 | 支持定點進行DCIR的計算 | |||
超級電容器 | 具備超級電容器測試功能,測試結果直接以“法拉F”為單位,可測漏電電流 | |||
顯示分辨率 | 6位有效數字(×.×××××) | |||
數據展現方式 | 座標曲線(X、Y座標可自定義)、圖形、數據列表(過程、明細分層) | |||
數據導出 | 可導成EXCEL、TXT、圖形(可指定工步或指定循環導出) | |||
數據另存 | 支持單個或多個數據另存,多個數據另存自動新建文件夾,文件名自動加入啟動時間及箱號和通道號,便于數據管理 | |||
軟件升級 | 支持網絡遠程推送,在線升級 | |||
說 明:
1、 起訂數量為1臺,包裝為紙箱,內襯珍珠棉;
2、 采用特快專遞,送貨上門運輸方式;
3、 一次購買10臺,可贈送組合機柜;
4、 配件包括:軟件、電源線、USB通信線、電池夾具、裝箱清單等














18502708844